| 星三角啟動的方法及注意事項 |
發布者: admin 發布時間:2022-05-15 點擊率: 298 |
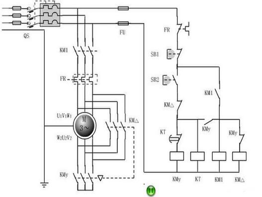
星三角啟動器實際上是一個降壓啟動器,啟動器在啟動時將電動機的定子繞組接成星形,待轉速升至接近額定轉速時,再改接成三角形,以減小啟動電流。 星三角啟動的啟動原理1、當負載對電動機啟動力矩無嚴格要求又要限制電動機啟動電流、電機滿足380V/Δ接線條件、電機正常運行時定子繞阻接成三角形時才能采用星三角啟動方法。 2、該方法是:在電機啟動時將電機接成星型接線,當電機啟動成功后再將電機改接成三角型接線(通過雙投開關迅速切換)。 3、由于電機啟動電流與電源電壓成正比,而此時電網提供的啟動電流只有全電壓啟動電流的1/3,因此其啟動力矩也只有全電壓啟動力矩的1/3。 4、星三角啟動屬降壓啟動,它是以犧牲功率為代價換取降低啟動電流來實現的,所以不能一概而論以電機功率的大小來確定是否需采用星三角啟動,還要看是什么樣的負載。一般在啟動時負載輕、運行時負載重的情況下可采用星三角啟動,通常鼠籠型電機的啟動電流是運行電流的5-7倍,而電網對電壓要求一般是正負10%,為了使電機啟動電流不對電網電壓形成過大的沖擊,可以采用星三角啟動。一般要求在鼠籠型電機的功率超過變壓器額定功率的10%時就要采用星三角啟動。 5、在實際使用過程中,有時電機功率為11KW就需要星三角啟動,如額定功率11KW的風機在啟動時電流為7-9倍(100A左右),按正常配置的熱繼電器根本啟動不了(關風門也沒用),熱繼電器配太大又無法起到保護電機的作用,所以建議采用星三角啟動。 星三角啟動的使用條件1、當負載對電動機啟動力矩無嚴格要求又要限制電動機啟動電流且電機滿足380V/Δ接線條件才能采用星三角啟動方法; 2、該方法是:在電機啟動時將電機接成星型接線,當電機啟動成功后再將電機改接成三角型接線(通過雙投開關迅速切換); 3、因電機啟動電流與電源電壓成正比,此時電網提供的啟動電流只有全電壓啟動電流的1/3。 星三角啟動,屬降壓啟動,是以犧牲功率為代價來換取降低啟動電流來實現的。所以不能一概而輪,以電機功率的大小來確定是否需采用星三角啟動,還的看是什么樣的負載,一般在需要啟動時負載輕,運行時負載重尚可采用星三角啟動,一般情況下鼠籠型電機的啟動電流是運行電流的5—7倍,而對電網的電壓要求一般是正負10%。為了不形成對電網電壓過大的沖擊所以要采用星三角啟動,一般要求在鼠籠型電機的功率超過變壓器額定功率的10%時就要采用星三角啟動。只有鼠籠型電機才采用星三角啟動。 星三角啟動的實現方法在電機啟動時將電機接成星型接線,當電機啟動成功后再將電機改接成三角型接線(通過雙投開關迅速切換;
星三角啟動的注意事項1、啟動器的接線應正確;電動機定子繞組正常工作時應為三角形接線。 2、手動操作的星三角啟動器,應在電動機轉速接近運行轉速時進行切換;自動轉換的啟動器應按電動機負荷要求正確調節延時裝置。 3、啟動器觸頭壓力應符合產品技術文件規定,操作應靈活。 4、啟動器應垂直安裝,安裝必須牢固。安裝位置要便于操作和維修。 5、新安裝的油浸式星三角啟動器要灌入合格的絕緣油。在灌油前,應將啟動器內及油槽內清掃干凈,油槽內應干燥無水分。線圈絕緣應良好,用500v兆歐表測量其絕緣電阻,應不小于0.5MΩ,油面不得低于標定的油面線。 6、啟動器外殼必須可靠接地(接零)。 7、熱繼電器根據所控制電動機整定正確。 8、安裝完畢,必須進行試驗,并檢查失壓脫扣是否良好。 9、帶負荷運行后再次全面檢查星三角啟動控制柜是否有以上的響聲和振動,是否有燒焦的味道,儀表指示是否正確,交流接觸器、繼電器等觸頭和鐵心吸合是否良好。用鉗型電流表測試運行電流是否正常。經24h正常運行后無問題,方可正式投入使用。 |
![]() |